|
|
| Product Home | MSW Mechanical | Carbonizing | Soft Acidic Water | Alkaline Water |
| |
Sewage Wastewater Sludge Carbonizing System |
|
| |
Characteristics and Applications of Carbonized Material |
| |
| Chemically Stable |
 |
Can be stored for long time, Safe
to Use. |
| No Odor , Light Weight |
 |
Easy to handle. |
| High Absorbability |
 |
Absorb moisture and
smell. |
| Porous |
|
A good Soil Improvement Agent. |
| P , Ca , Mg , K |
|
Soil nutrients. |
| Black in color |
|
Good Snow Melting Agent for
Road. |
| High Heat Value |
|
As Fuel Supplement. |
|
| |
Properties |
| |
| Similar to Charcoal |
|
| |
 |
|
| |
A Useful Resource |
|
 |
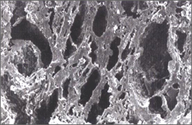
Micro-structure of the Carbonized Material |
|
| |
Product |
| |
 |
 |
 |
 |
 |
 |
| Sludge receiving area |
Sludge Receiving
Storage Hopper |
Pre- Drying Furnace |
|
| |
|
|
|
 |
 |
.jpg) |
 |
.jpg) |
 |
| Re-Burning Furnace |
Carbonizer |
Dust Cyclones |
|
 |
|
|
|
|
 |
 |
 |
 |
 |
| Cooling Tower |
Gas and Odor Treatment Furnace |
Carbonized Pellets Hopper
and Packaging |
|
|
| < Previous |
|
| Back to Top |
|
|

Copyright © 2006. Etan Resource Development Private Ltd
Web Design - eDLink Services |
1, North Bridge Road,
Suite 09-05,
High Street Center,
Singapore |
|
|
|
|
|